First I have an alert message. One of the web site readers got a HCN1033 and a HCN1071 control head that were actually HCN1032 control heads. The control head back plastic with the part number was changed out. Based on who he got the bogus control heads from, he believes they were innocently passed on to him via a resale of the items. The HCN1032 control head is not compatible with conventional Syntor X 9000 radios and only works with these trunking radios. If you buy or resell Systems 9000 control heads you may want to check them, especially if you resell them without testing them first. Here is a parts layout of the HLN4896 control board used by the HCN1032. As far as conventional Syntor X 9000 use is concerned, the U6 volume control chip highlighted in the parts layout is the kiss of death. If you remove the control head housing screws from the rear, open the plastic case halves, then you can easily see the solder side of the control board with the 16 solder pads from the DIP U6 chip (in fact you probably hope you do not see these solder pads). If you see the 16 solder pads from the U6 pins or are not sure, you can remove the back plastic from the control PC board and verify it. Another probable HCN1032 indication is if you try out the control head and get an error code starting with 3 (for example: 03/1C). Ironically, all of the photographs I have ever seen in all the conventional Syntor X 9000 manuals that show the inside of the control heads, are photos of an HCN1032 control head (you can see the telltale solder pads from the 16 U6 pins).
Unfortunately I have another alert. This fake model number problem has also occurred with the HCN1062 control head having the wrong model number on its back housing. If the chip located on the control head control circuit board at U0005 has 28C16 in its part number, or if the control circuit board or display board has a HLN5461 part number tag then it is an HCN1062 control head. This control head works, but is limited to a 2k EEPROM. An experiment is in process to see if the HCN1062 control head will accept the 8k EEPROM chip or not. Even if it will work with a 28C64 replacement 8k EEPROM, it still requires specialized surface mount soldering skills/equipment to change the chip.
Check out the Systems 9000 page for more information about the Systems 9000 label found on the control head.
As explained on the Systems 9000 page, the control head is one of the radio system components which uses the Systems 9000 serial data bus. As in the case of the HCN1032 control head, the Systems 9000 label does not mean the control head will work with a conventional Syntor X 9000. It does get a little confusing, because even though the conventional Syntor X 9000, trunking Syntor X 9000E, Spectra, Spectra II and Astro Spectra mobile radios all use the Systems 9000 serial data bus, it does not mean the same control head will work on all these different radios. Many models of these Systems 9000 control heads need some changes to work with the conventional Syntor X 9000. The HCN1033 and HCN1041 are the only two control heads that should always work with conventional Syntor X 9000 radios. This is because they are so "old", they can only be programmed correctly with conventional Syntor X 9000 RSS. So, these two models do not cause problems for the conventional Syntor X 9000 RSS, because they usually have not ever been programmed on any other model/type of radio. Other "newer" control heads also work, but might have programming problems that need correcting, if they have been programmed on different models/types of radios, are in a trunking or a zone configuration.
The main concern with Systems 9000 control heads is getting one that works with your conventional Syntor X 9000 radio. Most of the Systems 9000 control heads look the same externally (some have 2 rocker switches and others have 3 rocker switches). After you separate the ones with different numbers of rocker switches, the internal difference is the real issue. The type of construction, either DIP or SMD, is the first major internal difference. Some control heads indicate they are for Trunking radios by the labels on the keys and some Trunking control heads do not. Some control heads with different model numbers are really variations on another control head with the only change being the firmware (firmware is the program the control head's microprocessor runs) or the front plastic. This page is not complete yet so if you want to contribute information please contact me. Hopefully the information here will help you find the correct control head or help you modify an existing control head to meet your needs.
Systems 9000 control heads have two types of non-volatile memory, one type is the PROM where the radio's firmware is located and the other type is the EEPROM where the RSS stores the code plug.
The firmware program determines how the control head behaves, to some extent what radios it will work with and what RSS it will program with. A benefit of the one-time programmable PROM firmware is that it can not be corrupted by an interruption or failure during an RSS radio write or RSS control head write operation. The Syntor X 9000 radio and control head both have PROM or EPROM firmware, so they are immune to firmware meltdowns from RSS problems. Some other later model Motorola radios that came after the Syntor X 9000 radios apparently do have a firmware meltdown problem that can turn the radio into an expensive doorstop in the blink of an eye, if abnormal problems occur during the RSS write operation. See, older radios like the Syntor X 9000 are not that bad after all :-).
The size of the EEPROM determines how many modes can be programmed into the Syntor X 9000 control head. If you have a DIP construction control head it can come with either a 24 pin 2k EEPROM or a 28 pin 8k EEPROM. The DIP 2k EEPROMs can be upgraded to 8k EEPROMs. If you have a SMD construction HCN1062 control head it is permanently a 2k EEPROM control head. Any other SMD construction control head is permanently an 8k EEPROM. The 2k EEPROM control head can only have up to 32 modes programmed. The 8k EEPROM control head can have up to 210 modes programmed. Some options such as the Vehicle Repeater System (VRS) or MDC-1200 require the 8k EEPROM control head (the radio also requires an 8k or EEPROM).
A new replacement control head from Motorola usually comes with a blank EEPROM (i.e. never been programmed). Once the control head is programmed it will be initialized as trunking or conventional depending on how it was programmed. Once a control head is programmed as trunking, the Syntor X 9000 RSS will not program it. Even worse, the conventional Syntor X 9000 RSS will report bogus problems like "Serial Bus Failure" or "Unable to Determine EEPROM Size" on the computer screen. It may also go through the motions, appear to program, then immediately fail with a verify error at the beginning of the verify cycle. In fact the trunking control head was never programmed at all and the RSS never bothered to tell us it will not program a trunking control head. The problem with these bogus error reports is the control head may have a real problem causing a legitimate error report and we have no way to tell which is which. You will notice that nothing has been mentioned about the firmware, this is just a problem with the type of information stored on the EEPROM.
It all boils down to this, a control head that has been programmed as a trunking control head will not program with conventional Syntor X 9000 RSS until you somehow remove the trunking programming from the EEPROM. Just to make things harder, the Syntor X 9000 conventional RSS will throw misleading error messages at you.
Systems 9000 control heads have gone through an evolutionary development. Not all Systems 9000 control heads are "out of the box" compatible with Syntor X 9000 radios. Some control heads are dedicated for trunking radios (see below) and others do not have Syntor X 9000 compatible firmware. Many of the dedicated trunking control heads can be converted into convention compatible control heads. It is best if you obtain the correct control head with your radio, however, in the real world this is not always an option. Be careful, sometimes control heads that do not even work with conventional Syntor X 9000 radios are just thrown in with them when the radios are sold (i.e. the HCN1032 as an example of this).
Conventional Capable Control Head - bottom row key layout example Mode Vol
Sel Home
Rcl Sql Del
Trunking Control Head - bottom row key layout example Sys Sub Vol
Rcl Sql Del
Trunking Control Head - bottom row key layout example Mode Vol
Menu Step
Sel L/S Del
When you receive a used control head remember to check its internal jumpers. Also look for cut PC board traces and added wires, especially around the solder side of the cable connector. Some control heads have been jumpered or modified for special options (even aftermarket non-Motorola options). If your radio and accessories have been modified and are configured for special options, make sure not to change anything these options need to operate. Other times you will get a control head that was separated from a radio with special options and it may not work correctly with your radio until you reconfigure it as a standard head. If there is a "Kit" number on the back of the control head then it will have jumper changes or PC board modifications unless someone has already reconfigured it back to standard.
If you have a control head that was initialized as a trunking control head, a DIP construction control head will be the easiest one to convert to conventional use. If you have a control head with a firmware problem, a SMD control head will be the easiest one to convert. Keep in mind a firmware problem on a DIP microprocessor requires a replacement microprocessor with the correct firmware. Unfortunately Motorola has muddied the water quite a bit. Problems caused by 1) IBM compatible computer being too fast, 2) trunking programming in the control head EEPROM and 3) control head firmware that does not support conventional Syntor X 9000 RSS, can all mimic each other (i.e. error reports and behavior can be identical).
Just to complicate matters, if you use MDC 1200 there is special control head firmware needed in order for this option to function correctly. Hopefully, if you add MDC 1200 to your X 9000 radio you will get all the parts with your MDC 1200 kit. If your control head is the DIP type, then finding this firmware may be really difficult, because you have to find a complete MDC 1200 U1 microprocessor control head chip (which may be NLA?). If you have the SMD type control head then the search should be easier because you only need the MDC 1200 control head U0007 PROM chip (sorry, I do not have the MDC 1200 firmware part numbers).
I do not know if the MDC-1200 control heads cause any problems when used with conventional Syntor X 9000 radios without MDC-1200 or not? I will need some help to answer this question.
Using Spectra RSS to reset a control head:
The above procedure should be very useful for converting SMD control heads for conventional Syntor X 9000 use. This is because the SMD 28C64 EEPROM chip is soldered in place, so there are not very many ways to deal with changing the control head EEPROM data.
Spectra Lab RSS is supposed to have a control head programming utility that can be used to convert control heads. I am told there are also some versions of Spectra Lab RSS that can be used directly on a Syntor X 9000 exclusively to reprogram the control head (the control head programming utility menu must be accessible from the main RSS screen instead of the Service Aids screen).
HCN1047 trunking to conventional control head conversion:
The HCN1047 is a DIP construction control head that uses the same control and display boards as the HCN1045 control head. It is a trunking control head that has 3 rocker switches under the display (see above for the key layout example). It turns out the HCN1047 firmware inside the U1 microprocessor is conventional compatible. Because it uses DIP construction the EEPROM at U2 can simply be removed and replaced with a new or erased chip. Now the control head will program with conventional Syntor X 9000 RSS, but the keys will be a bit messed up. The Volume rocker becomes the SEL and HOME keys. The Sub rocker becomes the VOLUME rocker and the Sys rocker becomes the MODE rocker. Finally, here is a great use for one of the otherwise practically useless HCN1032 control heads. Simply remove the plastic front from the HCN1032 and put it on the HCN1047 control head. Now you can put conventional keys in the HCN1047 control head. The finished product will be roughly equivalent to an HCN1045 that was initialized as a conventional control head. As a bonus, the trunking control heads usually come with 8K EEPROM chips already installed so the converted control head is probably jumpered and ready for 64+ mode operation.
Save the old HCN1047 front panel with the 3 rocker holes. It can be used at a later date or by someone else to make their own HCN1066 Zone control head for a Spectra model radio.
I have received e-mail that said a trunking HCN1055 control head that would not program with conventional RSS was converted to a conventional control head by replacing the U2 EEPROM chip with a new unprogrammed 8K EEPROM chip. It also reprogrammed with conventional RSS after the change.
Conventional Syntor X 9000 control heads:
As mentioned before, the DIP control heads can be converted from 32 mode to 64+ mode control heads. If a 32 mode control head is used with a radio that has more than 32 modes, the control head display will revert to a default display of "MODE ___" (the underlined space will have the mode number in it, as in "MODE 54"). So it is possible to use 32 mode control heads with 64, 128 and 255 mode radios, just not desirable because you can not program the 11 character mode names above mode 32. Some options like MDC-1200 and VRS do require 64+ mode capability control heads (the radio also requires an 8k or EEPROM).
The SMD control heads already are capable of 64+ modes, except for the HCN1062 which is permanently a 32 mode control head.
Many of the control head keys depend on installed hardware options in conjunction with the RSS programming. Some of these keys are briefly described in the Control Head Keys section below.
The following keys do not require optional hardware to use and are popular on conventional radios; "Scan", "TbScan", "DIR", "MPL" and "Ext".
I have see radios that are programmed to use the the keypad number buttons 1 through 9 like car radio buttons. When you press the key it jumps to a preprogrammed mode number (i.e. press the 1 key and it jumps you to mode 27). However, I have been told not all versions of the Motorola RSS care capable of programming this feature.
The DTMF option board uses the "DTMF" and "Phon" keys. It can also use the "H/L" key if the control head Vehicle Interface Port (VIP) is wired to control the vehicle's horn and lights.
The control head Vehicle Interface Port (VIP) outputs can be wired to your vehicle headlight circuit to provide automatic control head backlight dimming when you turn the vehicle headlights on. Siren equipped radios wire the horn ring or a foot switch to the VIP input and a horn ring transfer relay to the VIP output. MDC 600 and MDC 1200 radios can wire an external emergency switch to the VIP input. MDC and DTMF options can flash the vehicle's headlights or sound the vehicle's horn through the VIP output. Vehicle Repeater System (VRS) on/off can also be wired to the VIP (this is typically wired to a handheld radio mobile charger, so when the handheld radio is removed the VRS activates automatically). VIP inputs are either open or shorted to ground. VIP outputs are designed to switch relays, with one side of the relay connected to switched B+. According to the manual, each VIP output can sink up to 300 milliamps. It works out as 300 milliamps at the B+ voltage, which is the main supply voltage (usually the vehicle battery), so make sure you only use relays with a low enough current draw at that voltage (a reverse biased diode across the relay coil to suppress large reverse voltages spikes is also recommended).
The Siren / Public Address option uses the "Wail", "Yelp", "Hi/Lo", "AirHn", "Man", "Sirn", "ExRd" and "PA" keys.
The MDC 600 and MDC 1200 also have external DEK boxes available. One has 8 keys for "Sts 1" through "Sts 8" and the other has 8 keys for "Msg 1" through "Msg 8". It should also be possible to mix and match "Sts" and "Msg" keys on a single DEK box.
In addition to the DEKs there is an Auxiliary Switch Panel (also referred to as a wild card box). This panel is styled to match the rest of the Systems 9000 accessories and has 8 buttons, but it is not connected to the radio or control head unless a switch is connected to a VIP input. It is designed to mount with the control head or DEK if you want to mount it there. Each switch has a place for a lighted label (you can make custom labels). They are often used to control emergency vehicle light bars among other things.
Additional control head information:
Of course the Motorola manuals are the best source for control head information.
Check out the boards page for control head jumpering information.
Check out the cable page for control head cable wiring information.
Check out the parts page for control head replacement key information and other control head parts. Some control head repair parts are listed under Basic control head troubleshooting.
Check out the Options and Accessories page for current control head part numbers that are known to be fully compatible or can more easily be made fully compatible with conventional Syntor X 9000 radios. This list may grow as more information becomes available.
| Systems 9000 Control Head Information Cross Reference | ||
| HCN1032 - THIS
IS NOT A NORMAL SYSTEMS 9000 CONTROL HEAD (will never work / will never program) will never convert to conventional X 9000 |
||
| Documentation (DIP) May have 2k or optional W930 8k U2 chip |
||
| HCN1033 - Firmware in U1 Microprocessor (works / programs) | ||
| Use HCN1033 Documentation (DIP) May have 2k or optional W930 8k U2 chip |
||
| HCN1036 - Firmware in U1 Microprocessor (works / programs) | ||
| Use HCN1045 Documentation (DIP) May have 2k or optional W930 8k U2 chip |
||
| HCN1041 - Firmware in U1 Microprocessor (works / programs) | ||
| Use HCN1041 Documentation (DIP) May have 2k or optional W930 8k U2 chip |
||
| HCN1045 - Firmware
in U1 Microprocessor (works / programs after EEPROM is reset) HCN1046 - Firmware in U1 Microprocessor (works / programs after EEPROM is reset) Zone Control Head - It requires a new front panel with only 2 rockers for conversion. HCN1047 - Firmware in U1 Microprocessor (works / programs after EEPROM is reset) It requires a new front panel with only 2 rockers for full conversion. |
||
| Use HCN1045 Documentation (DIP) May have 2k or optional W930 8k U2 chip |
||
| HCN1052 - This
is a MaraTrac radio control head, NOT a SYSTEMS 9000 head (will never work / will never program) will never convert to conventional X 9000 NEVER PLUG THIS HEAD INTO A SYNTOR X 9000/9000E RADIO |
||
| Use MaraTrac Manual (DIP) | ||
| HCN1055 - Firmware
in U1 Microprocessor (works / programs after EEPROM is reset) I do not know what type of front panel it has. |
||
| I do not know what documentation to use for this control head (DIP) | ||
| HCN1062 - Firmware programed in U0007 (works/????) Permanently Limited to 2k EEPROM | ||
| Uses HLN5461 PC Board
Documentation (SMD) Has 2k U0005 chip |
||
| HCN1063 - Firmware
in U0007 is HVN4026A (works / programs, EEPROM may need
reseting) HCN1066 - Firmware in U0007 (works / programs after EEPROM is reset) Zone Control Head - It requires a new front panel with only 2 rockers for conversion. HCN1067 - Firmware in U0007 (works / programs after EEPROM is reset) It requires a new front panel with only 2 rockers for full conversion. HCN1068 - Firmware in U0007 (works / programs after EEPROM is reset) HCN1069 - Firmware in U0007 (works / programs after EEPROM is reset) |
||
| Use HCN1063 Documentation (SMD) Has W930 8k U0005 chip |
||
| Some late model HCN1066
and HCN1068 heads use HCN1073 Documentation (SMD). Use the board part number as a guide. |
||
| HCN1071 - Firmware
in U0007, (works as REAR only, programs as REAR only) It can be converted into a HCN1073 equivlent if the EEPROM is reset and the power switch block is removed. HCN1073 - Firmware in U0007 is HVN4026A (works / programs, EEPROM may need reseting) HCN1073 - Firmware in U0007 is not HVN4026A (may not work / may not program) |
||
| Use HCN1073 Documentation (SMD) Has W930 8k U0005 chip |
||
| HCN1076 -
Firmware in U0007 is HVN4026A (works / programs, EEPROM
will need reseting) It requires a new front panel with only 2 rockers for full conversion. |
||
| Use HCN1073 Documentation (SMD) Has W930 8k U0005 chip |
||
| HCN1078 - Firmware
in U0007 is not HVN4026A (does not not work / does not
not program) If you replace the U0007 firmware with HVN4026A and reset the EEPROM it will work and program. This is normally an Astro Digital Spectra W9 control head. |
||
| Use HCN1073 Documentation (SMD) Has W930 8k U0005 chip |
||
| HCN1089 - This
is a MaraTrac radio control head, NOT a SYSTEMS 9000 head (will never work / will never program) will never convert to conventional X 9000 NEVER PLUG THIS HEAD INTO A SYNTOR X 9000/9000E RADIO |
||
| Unknown Manual (probably SMD ????) | ||
| HCN1121 - Firmware
in U0007 is not HVN4026A (does not not work / does not
not program) If you replace the U0007 firmware with HVN4026A and reset the EEPROM it will work and program. This is normally an Astro Digital Spectra W9 control head. If you also reset the EEPROM as a normal front control head and remove the power switch block it can be used as a front control head. |
||
| Use HCN1073 Documentation (SMD) Has W930 8k U0005 chip |
||
| LOOKING FOR CONTROL HEAD INFORMATION | ||
| HCN1055 (???? / ????) Trunking head - Is this 2 or 3 rockers? | ||
|
|
Spectra control head information:
Because the Syntor X 9000 control heads and Spectra A9/B9/C9/E9 control heads have the same physical appearance and have the same Systems 9000 label, they are sometimes mistaken as being the same. Any Spectra A9 control head will work on a Syntor X 9000 radio (some control heads like the HCN1066 Zone control head will need some conversion work first). However, all A9/B9/C9/E9 control heads must be Systems 9000E compatible to work on a Spectra/SpectraII radio. I know the HCN1033 and HCN1041 are not Systems 9000E compatible. Therefore, there are some Syntor X 9000 control heads that will not work with any Spectra/SpectraII radio. There is no special labeling on any control head to specifically indicate which ones are Systems 9000E compatible and which ones are not (Systems 9000E compatibility is implied by the part number and sometimes its revision letter).
The DIP HCN1045B control head is listed in the Spectra manual and is Systems 9000E compatible. I have a HCN1045A that did not work with an A9 Spectra, so the A revision is probably not Systems 9000E compatible. I have no Systems 9000E compatibility information on the HCN1036, HCN1046, HCN1047 and HCN1055 control heads. A little help here would be appreciated.
Of course the HCN1032 will only work with a trunking Syntor X 9000 radio and nothing else. The HCN1052 and HCN1089 are MaraTrac A7 Advanced control heads and are supposed to cause/suffer physical component damage if they are plugged into any radio besides the MaraTrac radio they are intended for.
All of the above Syntor X 9000 SMD control heads (except for the HCN1089 and Astro Spectra W9 heads) should be Systems 9000E compatible. The Astro Spectra control heads require a U0007 firmware change to work with a Spectra or SpectraII radio.
Remember, A9/B9/C9/E9 are all Systems 9000 Spectra or SpectraII control head designations and W9 is an Astro Spectra control head designation. They are not Syntor X 9000 or Syntor X 9000E control head designations.
|
|
|
| KEY | DESCRIPTION |
| Scan | Operator select Scan on/off and scan list programing |
| TbScn | Operator select Talkback Scan on/off |
| Dir | Operator select Direct (Talkaround) on/off - for simplex on a repeater output frequency |
| MPL | Operator select Multiple Private Line on/off and MPL selection |
| Ext | Operator select Extender receiver on/off - (low band radio only) |
| Wail | Siren sound selection |
| Yelp | Siren sound selection |
| Hi/Lo | Siren sound selection |
| AirHn | Siren sound selection |
| Man | Siren sound control on/off - horn ring or foot switch changes siren sound selection if it's on |
| Sirn | Siren on/off |
| ExRd | Public address radio connection on/off - connects receiver audio to the public address |
| PA | Public address on/off - uses the radio's microphone |
| MVS | Mobile Voice Storage on/off - saves and sends voice messages to and from dispatch |
| Play | Mobile Voice Storage (MVS) Play ???? |
| Rcrd | MVS Record ???? |
| Rply | MVS Replay ???? |
| Send | MVS, MDC 600, MDC 1200 ???? |
| STS | MDC 600 and MDC 1200 ???? |
| Msg | MDC 600 and MDC 1200 ???? |
| Emer | MDC 600, MDC 1200 or Smartnet Trunking Emergency signal |
| Call | MDC 600, MDC 1200 and Trunking ???? |
| Page | MDC 600, MDC 1200 and Trunking ???? |
| ST | Single Tone on/off ???? |
| F/R | Front and rear control heads - used to change back and forth between these two heads |
| Front | Used by the Rear control head to select the Front control head (also see F/R) |
| Rear | Used by the Front control head to select the Rear control head (also see F/R) |
| Alt | Alternate Radio - selects which radio the control head operates (dual radios only) |
| Mute | Mute Alternate Radio (dual radios only) |
| VRS | Vehicle Repeater System on/off and selection |
| H/L | Horn & Lights - selects vehicle horn and/or lights for optional operator attention signaling |
| DTMF | DTMF Unit Call on/off, the "mode" key is used for selection and programing |
| Phon | Phone Connect on/off, the "mode" key is used for selection and programming |
| Ø | Securenet on/off (DVP, DVI, DES, DVP-XL, etc.) works on Full Feature and Advanced |
| S/S | Trunking System/Subfleet selection |
| Menu | Trunking Menu selects various trunking functions |
| Step | Trunking Step is used to access individual Menu selections |
| L/S | Trunking ???? |
| Rpgm | Trunking Dynamic Regrouping control ???? |
| Srch | Trunking System Search and Lock on/off - looks for other trunking systems ???? |
| Lock | Trunking Smartnet AMSS site scan control ???? |
Basic control head troubleshooting:
This is not a comprehensive control head problem list. It is intended as a practical supplement to the Motorola troubleshooting information and only covers some common problems.
When you power up the control head and wait at least 5 seconds:
When servicing these control heads keep in mind that the electrolytic capacitors are a know problem. They can leak on the circuit board. If this leakage is left on the board long enough it can eat through the circuit board traces. It looks like Motorola had to use "commercial" rated electrolytic capacitors to get them small enough to fit inside the cramped control head ("industrial" rated electrolytic capacitors with a higher temperature range would have been the preferred choice). Because the watchdog timer uses an electrolytic capacitor on the DIP heads, leaks may cause the control head to stop working giving you ample time to repair the board before the traces are damaged. Always inspect for leakage when you open one of the control heads up for service. If you find any, clean it up, replace all the electrolytic capacitors (if one or more already leaked why trust the rest) and repair any destroyed traces.
|
Repair parts for both DIP and SMD construction:
DIP construction parts list:
SMD construction parts list:
|
Do not confuse the "FAIL 01/90" display with a control head watchdog timer problem (see below).
Fail 01/90 means the control head cannot talk to the radio drawer on the Systems 9000 serial bus. This fail message will repeat as the control head has nothing else it can do.
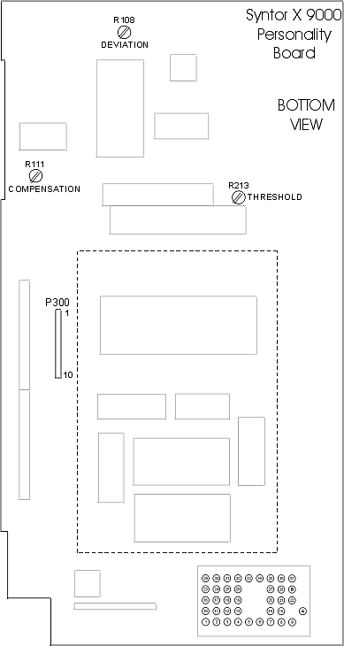
The problem can literally be anywhere between the radio drawer microprocessor, its Personality Board, the cable connectors, the cable itself, the control head Control Board, to the control head microprocessor. If the radio drawer large red and black power leads are not getting power, then it will also cause a Fail 01/90, as the radio drawer microprocessor will not get any power from the unswitched +5 volt regulator. The Personality Board P300 connector power supply outputs all need to be checked. Check out this page for radio drawer power troubleshooting/testing. If there are any problems with any power supply, it must be repaired before you can do anything else with the radio.
This is where having another working Syntor X 9000 radio comes in handy. You can swap parts around one at a time (i.e. drawer, cable and control head) and find out where the problem is. The different frequency ranges and programming of the radio drawers and control heads does not matter, you are only looking to see if the Fail 01/90 goes away. It does not even matter if a different error message is displayed (at least it means the radio drawer and control head are communicating).
Jumper JU500 can be installed before the radio is powered up. This will put the radio in test mode and disable the radio drawer watchdog timer resets. BTW, test mode cannot be used for normal operation.
The radio drawer Personality Board U501 chip should be checked for correct installation (pin 1 orientation) and any bent or broken pins. Sometimes U501 is removed before a radio is sold (a dumb thing to do), which will prevent the radio drawer microprocessor from working. Look for any other missing chips on the Personality Board, broken hybrid circuits or obvious damaged copper traces.
Even a simple problem like a cold solder joint will require some troubleshooting with test equipment to find. If you open the radio drawer top lid with the pushbutton, you can access the Personality Board Systems 9000 serial bus Bus + pin 17 and Bus - pin 25 (pin out drawing). If you have a dual trace scope, you can perform a simple check on the Systems 9000 bus. Set both scope channels for DC coupling of a 5 volt signal. Then check to make sure the Bus + and Bus - are always opposite polarity (they should be mirror images of each other). You might have to play with the scope triggering level, as there should only be intermittent bursts of serial data in the fail 01/90 condition. If they are not mirror images of each other then the serial bus drivers or cable connections have a problem. Then move one of the scope probes to pin 5 and check the Busy line. It should change levels when Bus + or Bus - is active (Busy remains active for the entire serial data transfer, i.e. it does not match the data stream signal). If Busy does not change states during serial data activity, then its circuits or cabling has a problem.
Sometimes damaged PC board traces can be found by tracing the serial data bus circuits back to to the microprocessor with an ohm meter. The Syntor X 9000 service manuals also have detailed repair flow charts.
In any case, Fail 01/90 problems must be repaired before the radio can do anything at all.
--
PL, Private Line, DPL, Digital Private Line, MPL, Talkaround, MDC-600, MDC-1200, MVS-20, Securenet, Smartnet, Privacy Plus, Trunked X2, Trunked X3, Touch Code, Quick Call II, Channel Scan, Talkback Scan, System 90, System 90*s, Systems 9000, Mitrek, Micor, Spectra, Spectra II, Astro Spectra, MataTrac, Syntor, Syntor X, Syntor X 9000 and Syntor X 9000E are trademarks of Motorola Inc.