| - SYNTOR X 9000 DEKs | ||||
| - Introduction | ||||
| - Basic DEK Theory | ||||
| - Multiple DEKs | ||||
| - DEKs and the Control Head | ||||
| - DEK Notes | ||||
| - Syntor X 9000 Home | ||||
| - HOME | ||||
DEK is an abbreviation for Direct Entry Keyboard. DEKs are accessories that attach to Systems 9000 control heads with the DB-50 connector. One or two DEKs can be attached to the control head which must be programmed in the RSS. Each DEK has 8 programmable keys. Each of the 8 DEK keys had a LED light above it.
The first DEK plugs into the control head Vehicle Interface Port (VIP) connector. When a DEK is programmed into the code plug with the RSS, the control head VIP port no longer functions as a VIP port. The control head VIP port becomes a DEK interface port and the VIP port functions are transferred to the DEK VIP-II connector. This was done because the DEK cable uses the control head VIP port connector and certian control head VIP pins are diverted for use by the DEK.

J1 DB-50 connector Systems 9000 connector viewed from back of the control head.
| Systems 9000 Control Head VIP Connector | ||
| Control
Head DB-50 J1 Pin # |
VIP Port Pin Description |
VIP Port Pin Description (1 or 2 DEKs programmed) |
| 1 | VIP Out 2 (Output) | - not used |
| 2 | VIP Out 1 (Output) | - not used |
| 3 | VIP In 2 (Input) | - not used |
| 4 | VIP In 1 (Input) | - not used |
| 5 | - not used | DEK Data Out (Output) |
| 18 | Switched B+ (Output) | Switched B+ (Output) |
| 19 | Switched B+ (Output) | Switched B+ (Output) |
| 20 | Digital Ground | Digital Ground |
| 21 | Digital Ground | Digital Ground |
| 34 | VIP Out 3 (Output) | DEK Strobe (Output) |
| 35 | Switched B+ (Output) | Switched B+ (Output) |
| 36 | Digital Ground | Digital Ground |
| 37 | VIP In 3 (Input) | DEK Data In (Input) |
| 38 | - not used | DEK Clock (Output) |

J1 DB-50 connector Systems 9000 connector viewed from back of the DEK.
|
|
||
| DEK DB-50 J1 Pin # |
DEK Pin Description | |
| 5 | DEK Data Out (Output) | Expansion Port to next DEK |
| 34 | DEK Strobe (Output) | |
| 35 | Switched B+ (Output) | |
| 36 | Digital Ground | |
| 37 | DEK Data In (Input) | |
| 38 | DEK Clock (Output) | |
| 7 | Digital Ground | Input from Control Head or DEK |
| 8 | DEK Data In (Output) | |
| 23 | DEK Clock (Input) | |
| 24 | DEK Strobe (Input) | |
| 40 | DEK Data Out (Input) | |
| 41 | Switched B+ (Input) | |
| 10 | Digital Ground | VIP-II Port |
| 11 | Digital Ground | |
| 12 | Digital Ground | |
| 15 | VIP In 1 (Input) | |
| 16 | VIP In 2 (Input) | |
| 17 | VIP In 3 (Input) | |
| 43 | VIP Out 1 (Output) | |
| 44 | VIP Out 2 (Output) | |
| 45 | VIP Out 3 (Output) | |
| 48 | Switched B+ (Output) | |
| 49 | Switched B+ (Output) | |
| 50 | Switched B+ (Output) | |
This short theory section is intended as background material to help understand what makes the DEK work. The Motorola DEK manual has much more detailed information.
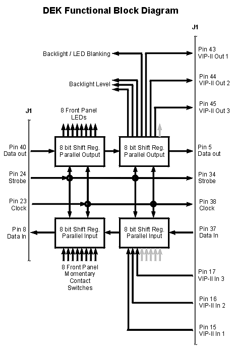
The DEK consists of 8 momentary contact switches, 8 LEDs (one LED above each switch), switch blacklighting, 3 VIP-II Input ports and 3 VIP-II Output ports. The DEK or DEKs are run through a compatible control head. This means information on which DEK switches are being pressed is sent to the control head. It also means the control head sends information on which LEDs to light up to the DEK. The backlight level information is also sent from the control head to the DEK. The VIP-II Input port data is sent to the control head and the VIP-II Output port data is sent to the DEK.
If any DEKs are connected to a control head, 1 or 2 total DEKs may be connected. The DEK cable requires the Systems 9000 remote mount which has a DB-50 J1 control head connector.
The DEK uses single ended (i.e. not differential), directional, synchronous serial communication with a clock line and strobe line. For comparison, the control heads (except for the HHCH) use Systems 9000 differential, bidirectional, asynchronous serial communication with a bidirectional busy line at 9600 baud. The obvious physical difference is the DEK uses Strobe, Clock, Data In and Data Out data connections (4 lines total) while the control head uses Bus +, Bus - and Busy connections (3 lines total). The speed of a DEK synchronous serial data transfer is strictly determined by the Clock line (i.e. there is no predetermined baud rate like a control head asynchronous serial data transfer).
The control head is the source of both the Strobe and Clock control signals. The control head is also the source of the Data Out serial bits. The DEK is the source of the Data In serial bits. The control head and radio drawer microprocessors work together through the Systems 9000 serial bus, so the DEK functions are effectively connected to the entire radio system, not just the control head alone. The control head Data Out serial bits are used to turn the DEK's 8 LEDs on or off, control the VIP-II Output lines and blank out all the LEDs and backlight. The DEK Data In serial bits are used to read the DEK's 8 keys and the VIP-II Input lines.
Each DEK has a 16 bit serial data in to parallel data out shift register that gets it input from the control head and a 16 bit parallel data in to serial data out shift register that sends its output to the control head.
The first 16 bit serial data in to parallel data out shift register is used to control the DEK's 8 LEDs, 3 VIP-II Output port lines, 3 levels of backlighting or to turn the backlight / LEDs off. Only 15 of the 16 bits are used (8 for LEDs, 3 for VIP-II, 3 for backlight levels, 1 for backlight-LEDs on/off control), but the shift register must be cycled by the Clock line all 16 times to transfer all the data, including the unused bit. This 16 bit shift register is made from DEK chips U1 and U2. From now on, this 16 bit shift register will be called the DEK input register.
The second 16 bit parallel data in to serial data out shift register is used to get any DEK key press information from the 8 switches and the 3 VIP-II Input port lines. Only 11 of the 16 bits are used (8 for switches and 3 for VIP-II), but the shift register must be cycled by the Clock line all 16 times to transfer all the data, including the 5 unused bits. This 16 bit shift register is made from DEK chips U4 and U5. From now on, this 16 bit shift register will be called the DEK output register.
The reason all 16 bits must be transferred (even the unused bits) is to allow more than one DEK to be daisy chained together.
The same Clock line is connected to both the DEK input register and DEK output register. This means 16 bits of input serial data and 16 bits of serial output data is being sent/received simultaneously. One sequential bit is transferred for each Clock line signal cycle. This means there are 16 total Clock line signal cycles to completely transfer all the serial input and output data.
The DEK input register (LEDs, etc.) serial data on DEK pin 40 is received from the control head through the Data Out line on pin 5 of the control head, one bit for each Clock line signal cycle.
The DEK output register (switches, etc.) serial data on DEK pin 8 is sent to the control head through the Data In line on pin 37 of the control head, one bit for each Clock line signal cycle.
The other Strobe control line has a special function. It causes the DEK input register (LEDs, etc.) to latch its output lines. Each of these 16 shift register output lines corresponds to each serial data bit sent by the control head in the last complete data transfer. It also causes the DEK output register (switches, etc.) to latch its input lines. Each of these 16 shift register input lines corresponds to each serial data bit to be sent to the control head in the next complete data transfer. This data transfer is the previously mentioned 16 Clock line signal cycles. Latching makes a shift register remember the current state of all 16 of its parallel bits. Latching is necessary before the Clock line is used to shift serial data through the shift register.
The operational sequence is for the control head to send a Strobe, then 16 Clocks, transferring one serial data bit into the control head on the Data In line and one serial data bit out into the DEK on the Data Out line for each individual Clock line signal cycle. This entire sequence is repeated over and over (about every 20 milliseconds or so) so the control head can respond to the DEK switches and VIP-II Input ports in real time. The rapidly repeated sequence also allows the LEDs and VIP-II Output ports to be changed by the control head in real time.

The J1 connector on the right and left side of the above drawing is a single DEK J1 connector (it was easier to draw this way). DEK pins 5, 34, 38 and 37 match the control head pin out. This allows the same type of DEK cable to be used between the control head and DEK, or between other DEKs.
The above theory section only discusses having a single DEK connected directly to a control head. However, a second DEK can be connected to the first DEK.
This is accomplished by daisy chaining the first DEK input register to the second DEK input register. Similarly, the second DEK output register is daisy chained to the first DEK output register. The effect of having both DEKs is to create the equivalent of a giant 32 bit DEK input register and a giant 32 bit DEK output register.
Both DEKs get the exact same Strobe and Clock control signals together. It is the shift register input and outputs that are daisy chained from one DEK to the next DEK. One DEK has 16 bits and two DEKs have 32 bits (two 16 bit DEKs daisy chained).
Before it was mentioned it takes 16 Clock line signal cycles to transfer all the data on a single DEK. The control head actually sends 32 Clock line signal cycles to transfer data for both DEKs (even when there is only 1 DEK installed). This predetermined number of Clock line signal cycles is what limits the maximum number of DEKs that can be installed to two DEKs total.
The control head has dedicated Data Out (CH pin 5) and Clock (CH pin 38) lines built in. These pins are not used at all unless at least one DEK is programmed and installed.
When at least one DEK is programmed (it does not matter if any DEKs are installed or not), the VIP 3 Output (CH pin 34) is changed to the DEK Strobe line and the VIP 3 Input (CH pin 37) is changed to the Data In line. When this happens the control head no longer provides any VIP functions, the VIP functions are transferred to the DEK VIP-II port.
The control head only has one type of RSS programmable DIM setting. The VIP Input port configuration has a "DIM on High" or "DIM on Low" VIP port setting. The DEK VIP-II Input pin that is programmed with one of these two DIM options is connected to the vehicle head light switch. The programmed DEK VIP-II Input pin is connected to a switch that is connected to ground. The "High" or "Low" setting depends on what type of switch is used (i.e. normally open or normally closed switch contacts). This will cause the control head to automatically DIM when the vehicle headlight switch is turned on. If the vehicle headlight switch does not have any contacts connected to ground, a relay can be connected to and operated by the vehicle headlight switch, then a relay switch contact is connected to ground and the programmed DEK VIP-II port.
BTW, DEKs are not compatible with an HHCH control
head.
If you program a DEK key with the "Mode" function, the LED above the DEK key will not light up when that key is pressed. This is because the control head main vacuum fluorescent display will change to the selected mode and there is no reason to light up the LED. Keep in mind, the LED is controlled by the control head and radio drawer microprocessors working together, not by the DEK key below the LED. Therefore, there are some things you can program into a DEK key that will not cause the LED to do anything at all and there are some things you can program into a DEK key that will cause the LED to light up.
The Syntor X 9000 RSS will not program the Siren/PA keys into a DEK. There is a currently untried chance that a Systems 9000E compatible control head could be programmed on a conventional A9 Spectra with a Siren/PA DEK, then the control head and DEK could be moved back to a Syntor X 9000 radio drawer. If the Syntor X 9000 control head RSS is not used to look at or edit the DEK programming screen, it should be possible to reprogram the other control head functions without loosing the Siren/PA DEK function. It might even be possible to read the control head with the Syntor X 9000 RSS, save the code plug and write it back to another control head (making the saved RSS file a kind of Siren/PA DEK template). Until someone tries it, this will simply remain a possibility.
The HLN1196 Auxiliary Switch Panel (also known as a "wild card box") is not a DEK, even though it looks a little bit like a DEK (it was styled to match the other Systems 9000 accessories). These have a DB-25 connector instead of the DEK DB-50 J1 connector.
There are other DEK visual imitators. For example; part numbers FRN1790, FRN1791 and FRN2010 are not DEKs. These are Smart-Status/Message (SSM) units. These are used with radios that do not support a Systems 9000 interface control head (i.e. Mocom 70, Mitrek, Maxar 80, Mostar, MaxTrac, MaraTrac, etc.). Externally they look exactly like Systems 9000 DEK units, but they are not. The SSMs are complete stand alone MDC-1200 protocol units (the Syntor X 9000 already has its own optional MDC-1200 capability). Instead of the DEK shift register circuits, these have actual MDC-1200 circuitry inside them and are not DEKs.
Another DEK imitator is the HLN1300A. It is a special MaraTrac Siren/PA DEK. This is a very special DEK that only works with a special HLN1318 MaraTrac Siren/PA unit. This DEK controls the Siren/PA (i.e. the Siren/PA is a standalone installation). The only connections to the MaraTrac A7 Advanced control head (superficially it looks a little like an Syntor X 9000 head) is for the PA microphone audio, PTT and external radio audio (ExRad). The external radio audio is taken from the speaker lead connection. This special HLN1300 MaraTrac DEK will not work with a Syntor X 9000. However, the complete Siren/PA and DEK MaraTrac setup can be used all by itself as an independent "standalone" Siren/PA. BTW, the MaraTrac HLN1318 and HLN1267 Siren/PA units can not be used with a Syntor X 9000, even though they look like the HLN1185 Siren/PA unit.
There are special DEK mounting bracket adapters (a pair of 07-80217L01) that are used to mount a DEK directly to another DEK (the DEK requires its own mounting bracket trunnion) or a control head (the control head requires its own mounting bracket trunnion).
See the parts page for DEK parts information.
--
PL, Private Line, DPL, Digital Private Line, MPL, Talkaround, MDC-600, MDC-1200, MVS-20, Securenet, Smartnet, Privacy Plus, Trunked X2, Trunked X3, Touch Code, Quick Call II, Channel Scan, Talkback Scan, System 90, System 90*s, Systems 9000, Mitrek, Micor, Spectra, Spectra II, Astro Spectra, MataTrac, Syntor, Syntor X, Syntor X 9000 and Syntor X 9000E are trademarks of Motorola Inc.